IndelB Sleeping well Smart-in chassis parking cooler
Standairco voor de after-market dit systeem integreert men in de truck airco
In diverse merken trucks in te bouwen.
Wilt u zeker weten of dit systeem geschikt is voor uw truck? Neem vrijblijvend contact met ons op of kom langs in de werkplaats. Onze specialisten adviseren u graag en verzorgen indien gewenst de volledige inbouw.
- Rechtstreeks bij de importeur kopen
- Eigen reparatieafdeling (500+ reparaties per jaar)
- Telefonisch contact met de productspecialist
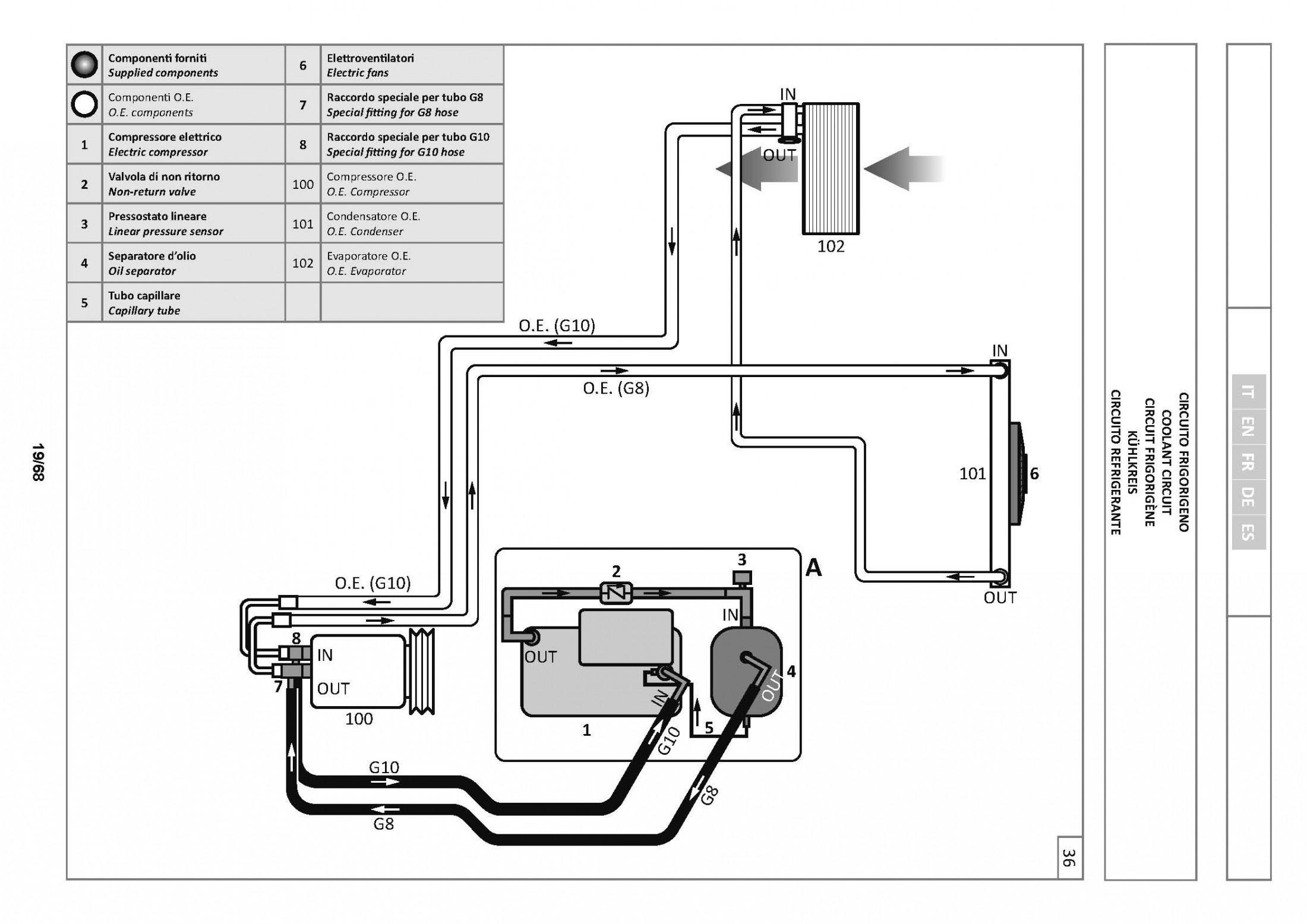
Technische specificaties
| Model | SW Smart in |
|---|---|
| Diepte binnenunit | 22,5 mm |
| Breedte binnenunit | 60 mm |
| Hoogte binnenunit | 50 mm |
| SKU | 907 |
| Merk | IndelB |
| Aansluitspanning | 24 Volt |
|---|---|
| Energieverbruik | 17 Amp/H MAX 38 Amp/H |
| Koelvermogen | 2800 Watt |
|---|
| Afstandsbediening | |
|---|---|
| Voertuigtype | Vrachtwagens |
Productinformatie
Indel B Sleeping Well Smart-In
De Indel B Sleeping Well Smart-In, Nieuwste generatie standairco’s die naadloos integreert in het originele ventilatiesysteem van uw truck. Geen zichtbare units, geen ontsierende leidingen, en toch maximale koelprestatie tijdens het rusten of overnachten.
De Sleeping Well Smart-In is een innovatieve standairco die ontworpen is voor integratie in moderne trucks. In tegenstelling tot traditionele systemen maakt deze airco gebruik van de bestaande ventilatieopeningen in de cabine. Hierdoor blijft het dashboard strak en origineel, zonder aanpassingen die het interieur of exterieur van uw truck aantasten.
-
Volledig geïntegreerd systeem – Geen extra luchtkanalen of opbouwunits nodig.
-
Onafhankelijk van de motor – Laat de airco draaien zonder het motorblok te starten, perfect voor rustpauzes en overnachtingen.
-
Zeer stille werking – Dankzij de plaatsing van de compressor op of aan het chassis hoort u nauwelijks dat hij draait, ideaal voor een ongestoorde nachtrust.
-
Dakluik blijft vrij – Geen unit op het dak betekent minder kans op lekkage, minder luchtweerstand én behoud van het originele dakluik.
-
Geen opbouw aan achterwand nodig – Perfect voor trucks waarbij opbouw aan de achterkant niet wenselijk of mogelijk is.
Twee krachtige koelvermogens:
-
Eco Mode: 1000 Watt – Tot 6 uur koeling op één acculading. Ideaal voor gematigde nachten.
-
Turbo Mode: 2800 Watt – Tot 2 uur krachtige koeling bij extreme hitte. Houdt zelfs bij hoge buitentemperaturen de cabine aangenaam koel.
Voor- en nadelen
- Meer comfort en veiligheid tijdens rusttijden
- Lagere brandstofkosten doordat de motor uit kan blijven
- Verlengt de levensduur van het originele HVAC-systeem
- Volledig geïntegreerde look – geen compromis op design of aerodynamica
- Stil, krachtig en betrouwbaar
- I.v.m. langere montagetijd duurder om te monteren


